

應用范圍:電風扇、電暖器、浴霸、洗衣機、展示臺、制冰機等
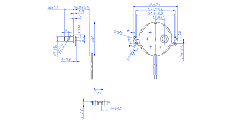
外觀安裝尺寸圖 SCHEMATIC CIRCUIT
電機主要性能表 SPECIFICATION
上一個:同步電機49TYJ-C-IV
下一個:同步電機49TYJ-C-VI



