

Applications:Fireplace
SCHEMATIC CIRCUIT
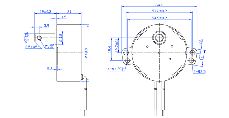
SPECIFICATION
prev:Honours Certificates
next:49TYJ-F



